交通

首页 > 解决方案 > 交通

变流器组合系统测试方案


系统构成图


方案特点

     o 支持两套标准:GB/T 25117.3-2010《轨道交通 机车车辆  组合试验第3部分 间接变流器供电的交流电动机及其控制系统组合试验》 和GB/T 25122.1-2010  《轨道交通 机车车辆用电力变流器 第 1 部分:特性和试验方法》
     o 整合了多种仪表:DL850、WT1806E、 GP20、 风速计、噪声计、绝缘电阻测试仪、介电强度测试仪

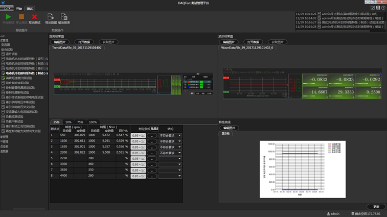
软件效果图